中国·3044永利集团(集团)有限公司-官方网站
首页
关于我们
3044永利集团简介
公司宣传片
风采之窗
团队队伍
组织机构
联系我们
新闻公告
3044永利集团新闻
通知公告
公司产品
专业介绍
教学动态
教学管理
支部工作
支部动态
主题教育
员工工作
党团工作
心理园地
员工园地
实习实训
实训要闻
人才招聘
招生信息
就业信息
就业指导
资源下载
教师专区
员工专区
大美校园
大美校园
集团首页
首页
关于我们
3044永利集团简介
公司宣传片
风采之窗
团队队伍
组织机构
联系我们
新闻公告
3044永利集团新闻
通知公告
公司产品
专业介绍
教学动态
教学管理
支部工作
支部动态
主题教育
员工工作
党团工作
心理园地
员工园地
实习实训
实训要闻
人才招聘
招生信息
就业信息
就业指导
资源下载
教师专区
员工专区
大美校园
大美校园
集团首页
人才招聘
RECRUITMENT EMPLOYMENT
人才招聘
·
就业指导
· 正文
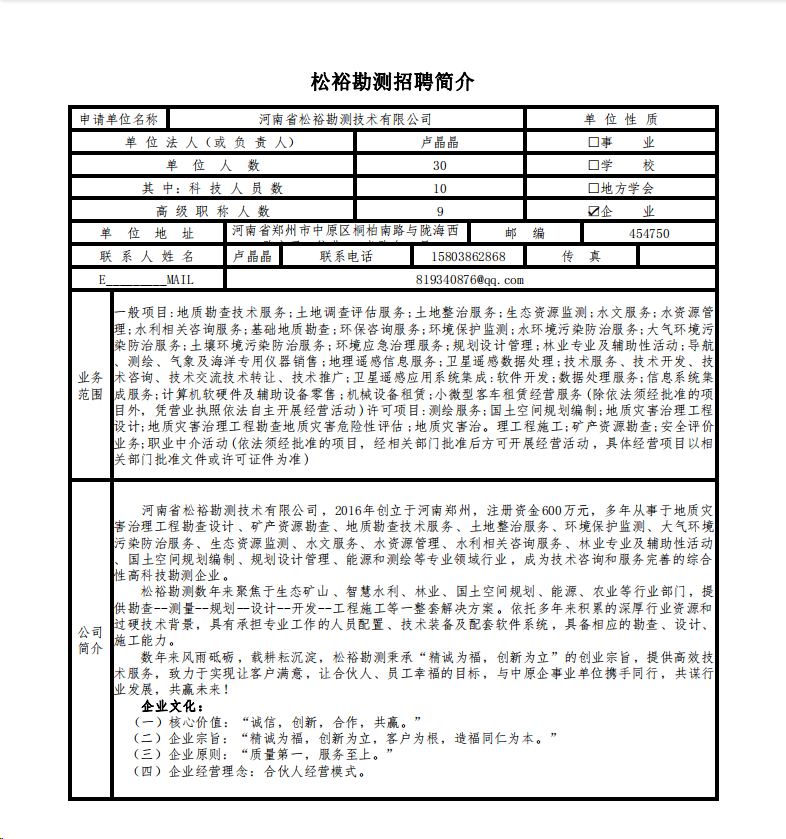
河南省松裕勘测技术有限公司招聘
发布时间:2023/06/26
责任编辑:
来源:3044永利集团
浏览量:
上一篇:
河南岩联信息科技有限公司招聘招聘
下一篇:
我系到金源矿业股份有限公司参观交流
最新文章
11-29
公司“筑梦青春志在四方,规划启航指引未来”职业规划大赛圆...
11-26
“启航青春,职面未来”模拟面试大赛
11-20
“点亮未来之路——老员工就业指导规划”宣讲活动
11-12
3044永利集团成功举办“智能测绘人才培养工程 暨低空科技就...
10-25
公司成功举办“青春‘言’盛世,筑梦向未来”主题演讲比赛
请输入搜索关键词!